欢迎光临深圳市鸿冠数控技术有限公司,咨询热线:13543313945

专注于工业自动化控制领域


定做各种自动化控制箱 全套电控配件 承接电气线路工程

全国咨询热线 13543313945
13430988683

4产品
您的位置: 首页 -> 产品 ->  联轴器、支架、开关、继电器模块 -> 各种支架,主轴座,开关,联轴器,继电器需要联系13543313945
各种支架,主轴座,开关,联轴器,继电器需要联系13543313945
各种支架,主轴座,开关,联轴器,继电器需要联系13543313945

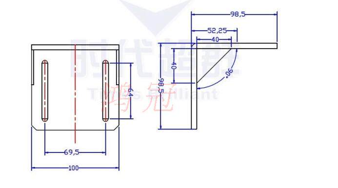
86步进电机支架加厚6Mm,刚性强

1):钢板厚度高达6MM

2):负载可达500NM

3):500吨自动化冲床加工而成(钢性超强)

4):此款为目前最厚86钢板支架(不变形)

5):每个支架重量超过600g



86支架尺寸图:




上一个产品:没有了!


下一个产品:没有了!
公司地址公司地址深圳市龙岗区宝龙龙东利好工业园E栋
公司电话公司电话0755-28463922
E-mail售后热线13543313945

深圳市鸿冠数控技术有限公司  版权所有 Copyright©2025   All Rights Reserved. 粤ICP备2025399081号

电话

咨询热线

13543313945

微信

微信咨询

微信咨询

顶部

咨询