欢迎光临深圳市鸿冠数控技术有限公司,咨询热线:13543313945

专注于工业自动化控制领域


定做各种自动化控制箱 全套电控配件 承接电气线路工程

全国咨询热线 13543313945
13430988683

4产品
您的位置: 首页 -> 产品 ->  手轮、对刀 -> 手持手摇脉冲发生器无线电子手轮
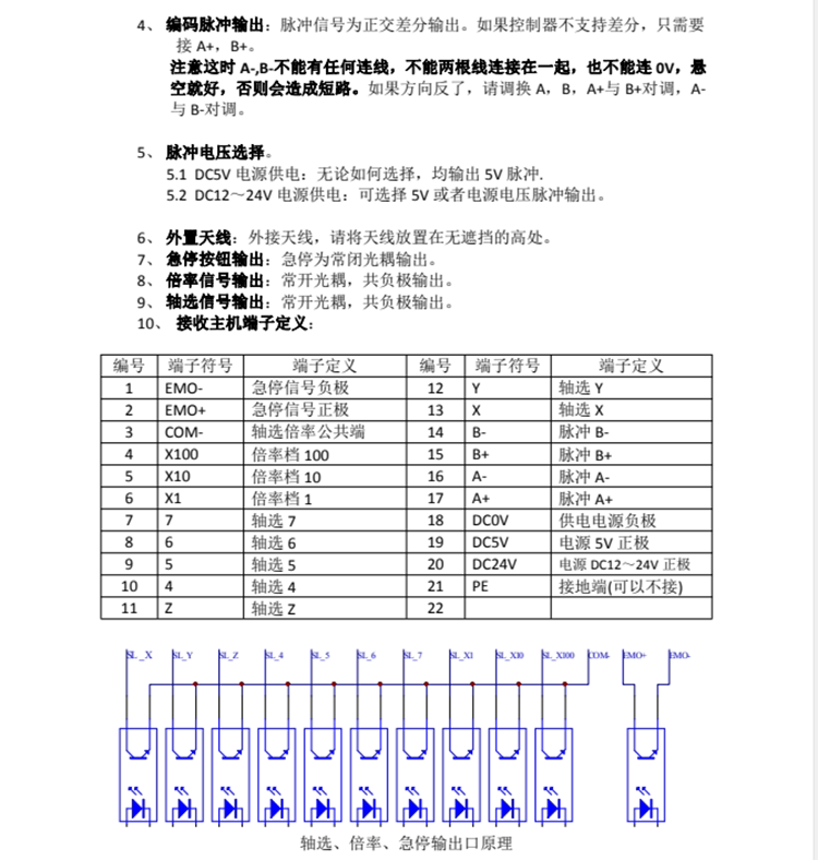
手持手摇脉冲发生器无线电子手轮
手持手摇脉冲发生器无线电子手轮


公司地址公司地址深圳市龙岗区宝龙龙东利好工业园E栋
公司电话公司电话0755-28463922
E-mail售后热线13543313945

深圳市鸿冠数控技术有限公司  版权所有 Copyright©2025   All Rights Reserved. 粤ICP备2025399081号

电话

咨询热线

13543313945

微信

微信咨询

微信咨询

顶部

咨询